山西省2022~2023学年度高一年级5月月考(231686Z)地.理试卷答案,我们目前收集并整理关于山西省2022~2023学年度高一年级5月月考(231686Z)地.理得系列试题及其答案,更多试题答案请关注微信公众号:趣找答案/直接访问www.qzda.com(趣找答案)

山西省2022~2023学年度高一年级5月月考(231686Z)地.理试卷答案
以下是该试卷的部分内容或者是答案亦或者啥也没有,更多试题答案请关注微信公众号:趣找答案/直接访问www.qzda.com(趣找答案)

9.总理向作报告是这样说的,各位代表:现在,我代表,向大会报告政府工作,请予审议,并请全国政协委员提出意见。这蕴含的道理是()①人民代表大会制度是中国特色社会主义制度的最大优势②是最高国家权力机关,行使监督权③全国政协委员积极行使执政权,监督行使权力④全国人大代表依照宪法和法律规定,参加行使国家权力A.①②B.③④C.②④D.②③

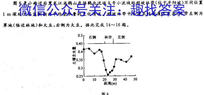
图6是小雨过后黑龙江省鹤山农场鹤北流域8号小流域的顺坡林带(位于半阳坡)不同位置1m深处土层监测期内平均含水量的变化情况。顺坡林带中乔灌草植被覆盖度高;林带左侧为草地(临近林地)和大豆,右侧为大豆。据此完成14∼16题。

12.小明与班里几个爱好篮球的同学,组成一个篮球队,经常代表班级参加学校的篮球赛,为班级争光添彩,在这个篮球队里,队员之间应该……………………………………………………..①相互接纳,相互欣赏②相互理解,相互沟通③张扬个性,忽视队友④互学共进,增长才干A.①②③B.①③④C.①②④D.②③④
未经允许不得转载:答案星辰 » 山西省2022~2023学年度高一年级5月月考(231686Z)地.理


